产品说明

订货号 DN55366
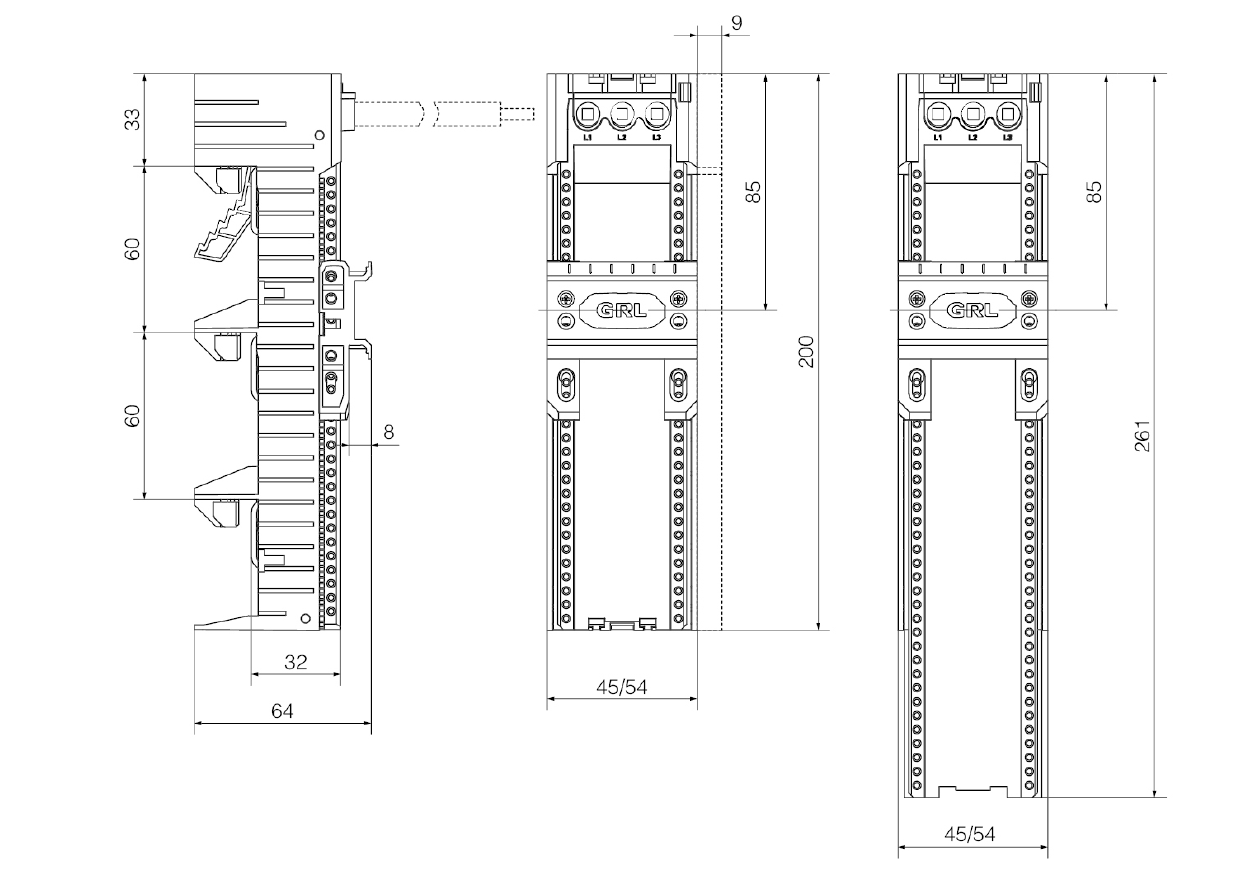
54×260 单支架
3 极,自带 6mm²电缆
适用母线
12、15、20、25、30×5、10 标准铜母线和异形铜母线
外形尺寸
宽 × 高 × 深(mm):54 × 260 × 64
| 主要技术参数 | |
产品应用 | 断路器安装 |
适用系统 | 60mm |
订货号 | DN55366 |
产品系列 | ZJQ-32 |
产品类型 | 微型断路器转接器 |
极数 | 3P |
| 额定工作电压Ue | AC 690V |
额定绝缘电压Ui | 800V |
额定冲击耐压Uimp | 6kV |
额定工作电流Ie | 32A |
符合标准 | IEC 61439-1、GB/T 7251.1 |
认证许可 | TUV 文件:CH 50453055 CCC 认证:无需强制认证 |
注:以上数据仅供参考,具体参数请咨询工程师。 | |
适用条件

适用于60mm间距的封闭式母线系统中
12、15、20、25、30×5、10 标准铜母线和异形铜母线
断路器承载转接器的短路保护,适配断路器:
iC65系列、SH203系列、5SN6系列、DZ47系列、M-L7系列
产品优势

可靠与安全:短路和过载保护,确保安全可靠。
模块化设计:模块化安装快速,布局整洁美观。
可视化操作:分、合闸可视化,支持挂锁保护。
多功能集成:集成电能测量,可远程输出功能
检修与维护:电路容量灵活调整,降低维护难度。
尺寸图


文件下载
