产品说明

产品:母线支撑
材质:钢 玻璃纤维增强聚酰胺
表面处理:电镀锌(环保彩)
阻燃等级:UL®94V-0
工作温度:- 40至130 °C
产品性能
典型运用额定电流:2250A
最大工作电压Ui:1000VAC / 1500VDC
每相母线数:1
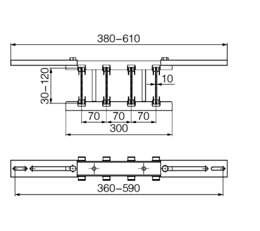
母线宽度:30-120 mm
母线厚度:10 mm
参考标准
IEC 61439.1
IEC 60695-2-11
(灼热丝试验温度为 960°C)
适用条件

适用母线
30-120 mm×10 mm 矩形母线
产品优势

安装便捷,灵活维护。
尺寸图


文件下载
