产品说明

订货号 DN54275L 母线加长连接夹 2500 A
适用母线 3T型 异形母线
产品信息 | |
产品应用 | 母线加长连接 |
适用系统 | 60mm |
订货编号 | DN54275L |
产品类型 | 连接夹 |
额定电压 | AC 690V |
额定电流 | 2500A |
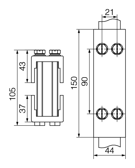
产品尺寸 宽×高 (mm) | 150×44 |
产品重量 | - |
适用母线 | 异形铜母线 3T型 |
允许母线间隙 | 100-110 |
参考标准 | IEC 61439-1 |
注:以上数据仅供参考,具体参数请咨询工程师。 | |
适用条件

适用主母线
3T形母线
产品优势

采用无孔连接技术,通过母线夹可直接对电缆、母线进行连接,便捷高效
尺寸图

DN54275L 外形尺寸(mm)

文件下载

如果您有任何关于合作的报价或有任何查询,请随时给我们发电子邮件scb@grlele.com或使用下面的查询表格。我们的销售代表将在24小时内与您联系。感谢您对我们产品感兴趣。
我想购买DN54275L