产品说明

DN55019转接器 400A 三极 下至系统
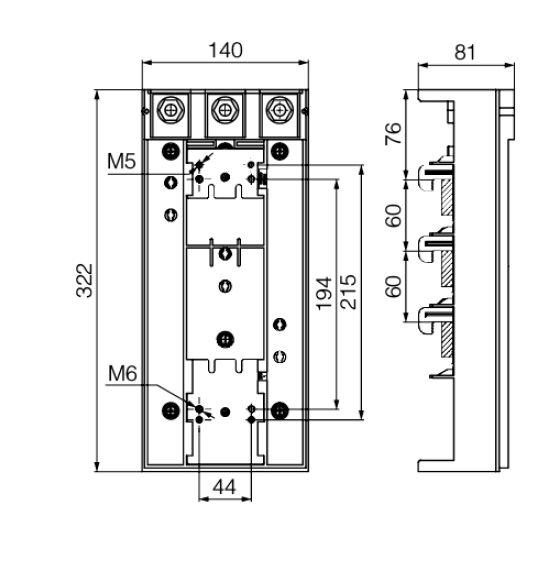
塑壳尺寸
44×194×M6
44×215×M5
塑壳示例
正泰 NM1-400
宽×高×深 mm
141×324.9×82.7
| 主要技术参数 | |
产品应用 | 断路器安装 |
适用系统 | 60mm |
订货号 | DN55019 |
产品系列 | ZJQ-400 |
产品类型 | 转接器 |
极数 | 3P |
| 额定工作电压Ue | 690V |
额定绝缘电压Ui | 1000V |
额定冲击耐压Uimp | 6kV |
额定工作电流Ie | 400A |
符合标准 | IEC 61439-1、GB/T 7251.1 |
认证许可 | TUV|CH 50453055 |
注:以上数据仅供参考,具体参数请咨询工程师。 | |
适用条件

适用于60mm母线系统中
15、20、25、30×10 标准铜母线和异形铜母线
塑壳尺寸
44×194×M6
44×215×M5
塑壳要求
固定式板前
连接系统
下端至系统
适配断路器
正泰 NM1-400
天正 TGM1E-400
德菱 CBRM1E-400
附件
软连接 DN28002 3条
产品优势

可靠与安全:短路和过载保护,确保安全可靠。
模块化设计:模块化安装快速,布局整洁美观。
可视化操作:分、合闸可视化,支持挂锁保护。
多功能集成:集成电能测量,可远程输出功能
检修与维护:电路容量灵活调整,降低维护难度。
尺寸图


文件下载
