产品说明

本系列产品为低压熔断体,适用于交流系统,用于低压成套设备的配电设备的短路、过载保护。
额定电压 | AC690V |
额定电流 | 800A-1600A |
保护类别 | gG |
分断能力 | 100kA |
参考标准 | GB/T 13539.2 IEC 60269-2 |
认证标志 | CCC |
适用条件

环境
1)温度范围工作温度范围:-5℃~+40℃
2)工作湿度范围:≤50%(40℃时),≤90%(20℃时)。
3)海拔高度:≤2000m。
安装
刀型触头熔断体,需配套底座安装。
存储
熔断体在储存时,应防止雨雪的侵蚀,存放在空气流通,空气相对湿度(25℃时)不大于90%,温度不高于40℃及不低于-30℃的仓库中。
维护
1)定期清扫灰尘,检查接触点接触情况。
2)维护检查时,要按安全规程要求,切断电源,不允许带电取下熔断体。
产品优势

该系列熔断器具有 800 A 至 1600 A的额定电流,提供出色的性能和可靠性。
该系列熔断器完全符合 GB/T 13539.2 和 IEC 60269-2 标准
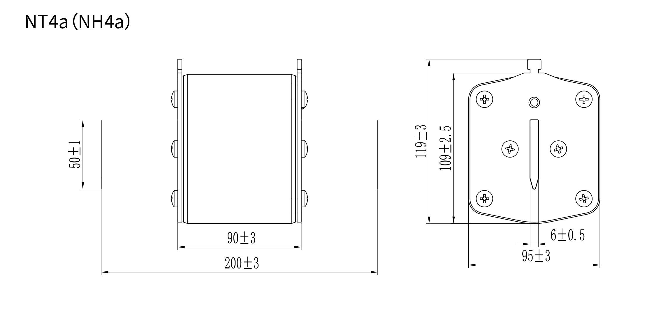
尺寸图


文件下载

描述 | 下载 |
产品规格书 |
如果您有任何关于合作的报价或有任何查询,请随时给我们发电子邮件scb@grlele.com或使用下面的查询表格。我们的销售代表将在24小时内与您联系。感谢您对我们产品感兴趣。
我想购买NT4a(NH4a)