产品说明

光伏熔断器式隔离器
极数:1极
安装方式:DIN导轨安装
连接导线:0.75-25mm²
额定电压:DC1000V
额定电流:32A
额定绝缘电压:1000V
额定冲击耐受电压:6kV
使用类别:DC-PV0
防护等级:IP20
参考标准:GB/T 14048.3 IEC60947-3
认证标志:CE、TUV
熔断体型号:DNPV1038
熔断体尺码:10x38
适用条件

适用于太阳能光伏系统,应用于光伏汇流箱中,作为光伏发电器件及其他半导体设备的短路和过载保护。
产品优势

提供全范围保护,覆盖2A-32A电流范围
DIN导轨安装,搭配熔断器适配中小电流保护的使用场景
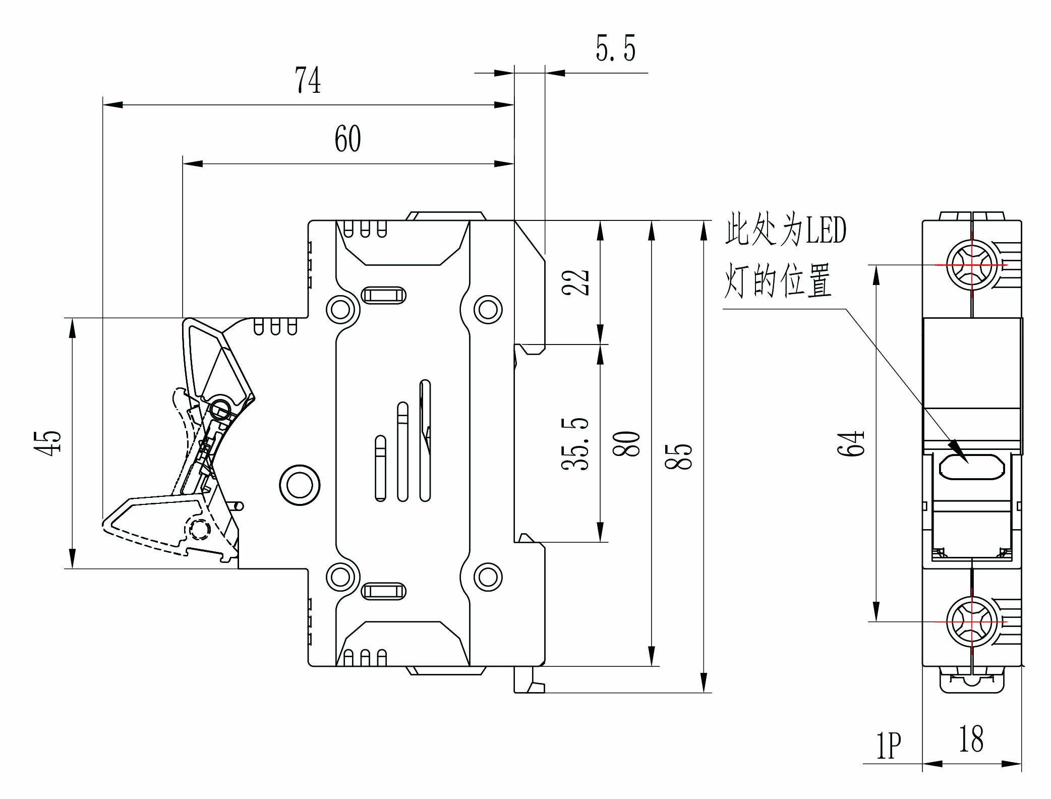
尺寸图

DNPVF1-32 外形及安装尺寸(mm)
如果您有任何关于合作的报价或有任何查询,请随时给我们发电子邮件scb@grlele.com或使用下面的查询表格。我们的销售代表将在24小时内与您联系。感谢您对我们产品感兴趣。
我想购买DNPVF1-32